
所屬分類:輸送機保護開關
發布日期:2019-11-14
瀏覽:次
咨詢電話:
15373185054
分享此產品:
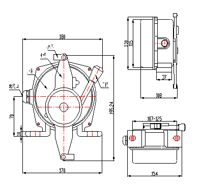
地址碼雙向拉繩開關
概述:
地址碼雙向拉繩開關廣泛應用于鋼鐵、水泥、電廠、礦山等具有帶式輸送機的廠礦,該產品安裝在膠帶輸送機兩側,是用于膠帶輸送機緊急事故停機的一種保護開關,在開關操作距離內任何一點拉動鋼絲繩,切斷運行電路使全線停機,實現對膠帶機及人身安全的保護。
地址碼雙向拉繩開關連接到CAN現場總線上,現場總線的產品實時監測狀態信息的變化,一旦信息變化,立即主動發送一條信息到智能管理站,智能管理站根據設備的類型和地址碼以及信息的內容進行信息整理歸類,當有報警出現時輸出繼電器報警。與智能管理站連接的PLC可以通過RS485總線訪問智能管理站的信息內容,可以通過訪問的信息內容來辨別是哪個終端設備發出的報警信息。

工作原理:
當膠帶運輸現場發生緊急事故時,拉動系在吊耳上的鋼絲繩,使機內的滑塊與開關作用,發出停機信號。松開鋼絲繩按下復位杠后方可復位
安裝及使用:
開關平衡地按在機架的固定支架上;
將鋼絲繩系在拉繩開關上下兩端的拉環上,每側鋼絲繩不超過40米(有斜度時應當縮短為25米);
拉繩壓力應適宜,以確保開關可靠復位;
拉繩沿膠帶平行方向設置,每3米加一吊環;

結構特性:
開關采用進口的行程開關,使用使命長。
密封性好,具有防塵、防震、防腐等優點
機殼采用鑄鋁鑄造,重量輕、硬度強
技術指標:
復位方式:手動復位
動作角度:30°
極限角度:60°
觸點數量:2個常開;2個常閉

動作力:10kg
觸點容量:24~380V AC/DC
電流:1:5A
防護等級:IP67
可靠性:>106次
環境溫度:-30℃~ +60℃;
相對濕度:不大于85%


